Buscador

viernes, 31 de agosto de 2012

Aplicación del Método de Diseño Directo a una losa en dos direcciones sin vigas

Usar el Método de Diseño Directo para determinar los momentos de diseño en el sistema de placas planas en la dirección ilustrada.
Considerar que se trata de un piso intermedio.


Altura de piso = 9 ft
Dimensiones de las columnas = 16 × 16 in.
Las cargas laterales serán resistidas por muros de cortante
No hay vigas de borde
Peso de los tabiques no estructurales = 20 lb/ft2
Sobrecarga de servicio = 40 lb/ft2
f'c = 4000 psi (hormigón de peso normal)
fy = 60.000 psi

También determinar la armadura y verificar los requisitos de corte en una columna exterior


jueves, 30 de agosto de 2012

COEFICIENTES DE MOMENTO PARA EL MÉTODO DE DISEÑO DIRECTO - III

Tabla 19-5 – Coeficientes de momento de diseño para placas planas o losas planas en las cuales el tramo extremo es monolítico con un tabique

Tabla 19-6 – Coeficientes de momento de diseño para placas planas o losas planas en las cuales el tramo extremo está simplemente apoyado sobre un tabique

Tabla 19-7 – Coeficientes de momento de diseño para losas en dos direcciones con vigas


miércoles, 29 de agosto de 2012

COEFICIENTES DE MOMENTO PARA EL MÉTODO DE DISEÑO DIRECTO - II

La viga se puede subdividir de manera tal de maximizar C. La Tabla 19-2 simplifica el cálculo de la constante torsional C.
Tabla 19-3 – Coeficientes de momento de diseño para placas planas o losas planas apoyadas directamente sobre columnas

Tabla 19-4 – Coeficientes de momento de diseño para placas planas o losas planas con vigas de borde



martes, 28 de agosto de 2012

COEFICIENTES DE MOMENTO PARA EL MÉTODO DE DISEÑO DIRECTO - I

Para distribuir el momento total que actúa en la luz libre Mo en momentos negativos y positivos, y luego en momentos de franja de columna y momentos de franja intermedia, directamente se aplican los coeficientes de momento al momento total Mo. Los coeficientes de momento dependen de la ubicación del tramo considerado (tramo interior o extremo), y del tipo de losa en dos direcciones. Para simplificar el diseño, en las Tablas 19-3 a 19-7 se indican los coeficientes de momento para los sistemas de losas en dos direcciones más habituales. Las Tablas 19-3 a 19-6 se aplican a las placas planas o a las losas planas con diferentes
condiciones de vínculo en sus extremos. La Tabla 19-7 se aplica a las losas en dos direcciones con sus cuatro lados apoyados en vigas. Se tabulan los momentos finales correspondientes a la franja de columna y la franja intermedia.
Los coeficientes de momento de la Tabla 19-4 (placa plana con vigas de borde) son válidos para βt ≥ 2,5. Los coeficientes de la Tabla 19-7 (losas en dos direcciones apoyadas sobre vigas) se aplican para α1ℓ2/ℓ1 ≥ 1,0 y βt ≥ 2,5. Para muchos de los tamaños de viga habituales se obtendrán relaciones de rigidez tales que α1ℓ2/ℓ1 y βt serán mayores que estos límites, permitiendo tomar los coeficientes de momento directamente de las tablas, sin necesidad de considerar las rigideces ni interpolar para hallar los coeficientes. Sin embargo, si hay vigas, será necesario evaluar ambos parámetros α1 y βt. Para las losas en dos direcciones, y para
Ecb = Ecs, el parámetro de rigidez α1 es simplemente la relación entre los momentos de inercia de las secciones efectivas de la viga y la losa en la dirección de análisis, α1 = Ib/Is, como se ilustra en la Figura 19-6. Las Figuras 19-7 y 19-8 simplifican la evaluación del término α1.
Para Ecb = Ecs, la rigidez relativa proporcionada por una viga de borde se refleja en el parámetro βt = C/2Is, siendo Is el momento de inercia de la sección de losa efectiva en la dirección de ℓ1 y que tiene un ancho igual a ℓ2, es decir, Is = ℓ2h3/12. La constante C se relaciona con la rigidez torsional de la sección transversal efectiva de la viga de borde. Se calcula dividiendo la sección de la viga en los rectángulos que la componen, cada uno de ellos con una dimensión menor x y una dimensión mayor y, y sumando las
contribuciones de todas las partes mediante la ecuación:

lunes, 27 de agosto de 2012

Momentos mayorados en columnas y tabiques - I

donde: wℓ = sobrecarga mayorada, lb/ft2

ℓ2 = luz transversal a ℓn

ℓn = longitud de la luz libre en la dirección de análisis

En los apoyos sobre columnas o tabiques exteriores, la totalidad del momento negativo exterior mayorado del sistema de losa(13.6.3.3) se transfiere directamente a los elementos de apoyo. Debido a la naturaleza aproximada de los coeficientes de momento,no parece necesario considerar la variación del momento entre la cara del apoyo y el eje del apoyo; se pueden utilizar directamentelos momentos calculados de acuerdo con el artículo 13.6.3.3.

Las columnas que se ubican por encima y por debajo de la losa deben resistir el momento no balanceado en proporción a sus rigideces relativas – generalmente en forma directamente proporcional a las longitudes de las columnas que se ubican por encima ypor debajo de la losa. También en este caso, debido a la naturaleza aproximada de los coeficientes del Método de Diseño Directo,no parece necesario considerar la variación del momento entre el eje de la viga placa y la parte superior o inferior de la columna.

domingo, 26 de agosto de 2012

Momentos mayorados en columnas y tabiques

Las columnas y tabiques de apoyo deben resistir cualquier momento negativo transferido por el sistema de losa.

En el caso de las columnas (o tabiques) interiores, para determinar el momento no balanceado transferido por carga gravitatoria se puede usar la Ecuación aproximada (13-4), a menos que se realice un análisis que considere los efectos del patrón de carga y luces adyacentes de diferentes longitudes. El momento de transferencia se calcula directamente en función de la longitud de la luz y de las cargas gravitatorias. Para el caso más habitual en el cual las luces transversales y adyacentes son iguales, la Ecuación (13-4) se reduce a:

Mu  = 0, 07  0, 5w  A 2 A n

sábado, 25 de agosto de 2012

Momentos mayorados en las franjas intermedias

La fracción de los momentos mayorados que no se asignan a las franjas de columna debe ser resistida por las dos semifranjas que forman parte de la franja de diseño. Hay una excepción a este artículo: las franjas intermedias adyacentes y paralelas a un borde soportado por un tabique, deben resistir el doble del momento mayorado asignado a la semifranja correspondiente a la primera fila de apoyos interiores (ver Figura 19-1).

viernes, 24 de agosto de 2012

Momentos mayorados en las vigas

Cuando en una franja de diseño hay vigas entre las columnas, el momento mayorado asignado a la franja de columna se debe distribuir entre la losa y las porciones de viga de la franja de columna. La cantidad de momento mayorado de la franja de columna a ser resistido por la viga varía linealmente entre cero y 85 por ciento a medida que α1ℓ2/ℓ1 varía entre cero y 1,0. Cuando α1ℓ2/ℓ1 es mayor o igual que 1,0 el 85 por ciento del momento total de la franja de columna debe ser resistido por la viga. Además, la viga debe resistir los efectos producidos por las cargas aplicadas directamente sobre la misma, incluyendo el peso propio del alma de la viga que se proyecta por encima o por debajo de la losa.

sábado, 18 de agosto de 2012

Cálculos y discusión - III

3. Calcular los anchos de las bielas.


Se asume que se colocará armadura de acuerdo con A.3.3, de manera que se puede usar βs = 0,75.

fcu 0, 85 s f 'c 0, 85 0, 75 5000 3187 psi


Ec. (A-3)


fcu 0, 75 3187 2390 psi

Calcular el ancho requerido de las bielas.

Biela AC


El ancho de las bielas cabrá dentro de la columna de hormigón.

Proveer  armadura  de  confinamiento  para  las  bielas  de  acuerdo  con  el  arculo  A.3.3,  en  forma  de  estribos horizontales. El ángulo que forman las bielas diagonales respecto de los estribos cerrados horizontales es 58º. Disponer estribos cerrados No. 4 separados 4.5 in. entre centros.




viernes, 17 de agosto de 2012

Cálculos y discusión - II


2.   Proveer armadura para los tirantes.

Usar f = 0,75                                                                                                                                                                                              9.3.2.6          



La resistencia nominal de los tirantes se debe tomar como:

Fnt  = Ast f y  + Aps (fse  + Dfp )                            




Ec. (A-6)       




donde el último término se puede ignorar si la armadura no es pretensada.

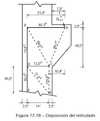
Tirante AB                  Fu  = 46,3 kips

  Fu                46, 3                      2                                                                                                                         2


Ast  =        =                    = 1, 03 in.            Proveer 4 barras No. 5
ff y        0, 75 ´ 60                                                                      


Ast  = 1, 24 in.                                                                                                   



Tirante CD                  Fu  = 12,0 kips

12, 0                      2                                                                                                                                          2


Ast  =                   = 0, 27 in.                      Proveer barra No.4
0, 75 ´ 60


Ast  = 0, 40 in.                                                                                                  



Tirantes BC y DF      Fu  = 46,3 kips

93, 2                        2
Ast  =                     = 2, 07 in.                         Proveer acero adicional además de la armadura vertical de las columnas
0, 75 ´ 60

Esta armadura se puede añadir en forma de una barra longitudinal, o en forma de una barra doblada en el NodoA, que también se puede usar como Tirante AB.

jueves, 16 de agosto de 2012

Cálculos y discusión - I

1. Establecer la geometría de un reticulado tentativo y calcular la demanda de fuerza en los elementos.


miércoles, 15 de agosto de 2012

Diseño de una ménsula en una columna

Diseñar la ménsula de la columna de hormigón armado de 16 in. × 16 in. para un esfuerzo vertical Vu = 60 kips y un esfuerzo horizontal Nu = 12 kips. Asumir f'c = 5000 psi, y armaduras de acero Grado 60.



lunes, 13 de agosto de 2012

Comentarios - I

La discrepancia en la ubicación vertical de los nodos provoca una diferencia despreciable en los esfuerzos en el reticulado (aproximadamente 1,5 por ciento). Por lo tanto, no es necesario realizar otra iteración.

Para este problema se podrían haber seleccionado varios modelos de bielas y tirantes alternativos. En la Figura 17-16 se ilustra un reticulado alternativo.


domingo, 12 de agosto de 2012

Nota

Nota: Los ganchos a 90º deben estar encerrados dentro de la prolongación de la armadura de la columna en la viga de transferencia (Figura 17-15). Si se provee un recubrimiento adecuado y confinamiento transversal, la longitud de desarrollo del gancho normal se podría reducir aplicando los factores de modificación indicados en el artículo 12.5.3.

Es posible obtener esquemas con menor grado de congestión de las armaduras, ya sea soldando el acero de las armaduras a placas de apoyo o bien usando acero de pretensado.

sábado, 11 de agosto de 2012

Cálculos y discusión - VIII

10. Proveer armadura horizontal para el tirante.

Estas barras se deben anclar adecuadamente. El anclaje se ha de medir a partir del punto donde el tirante abandona la zona nodal extendida, como se ilustra en la Figura 17-14.

Distancia  x = 6,7/tan 32 = 10,7 in.

Espacio disponible para embeber barras rectas

10,7 + 4,2 + 8 – 2,0 (recubrimiento) = 20,9 in.

Esta longitud no es adecuada para desarrollar una barra No. 8 recta.


Longitud de desarrollo para una barra No. 8 con un gancho normal a 90 grados

A dh  = (0, 02blf y  /   f 'c  )db

= (0, 02 (1, 0) (1, 0) 60.000 /   40000 ) 1, 0



12.5.2      




= 19, 0 < 20, 9 in.

VERIFICA