NORMAS TECNICAS DE INGENIERIA
Informacion sobre normas para proyectos de ingenieria
Temas
HOME
Losas en dos direcciones - Método de Diseño Directo
Efectos de la esbeltez
Diseño para Flexión y Carga Axial
Detalles de armado
Buscador
jueves, 11 de octubre de 2012
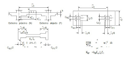
AYUDAS PARA DETERMINAR LAS CONSTANTES DE DISTRIBUCIÓN DE MOMENTOS - III
Tweet
Co
n
s
tant
e
s de d
i
strib
u
ci
ó
n de
m
omentos para vi
g
as p
l
aca (Altura de
á
baco = h)
*
No hay comentarios:
Publicar un comentario
Entrada más reciente
Entrada antigua
Inicio
Suscribirse a:
Enviar comentarios (Atom)
No hay comentarios:
Publicar un comentario